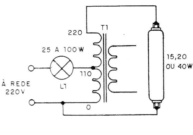
Este circuito, a partir de una documentación de 1988, permite el uso de lámparas debilitadas de 15 a 60 W sin necesidad de balasto y arranque. El circuito utiliza un transformador de dos tensiones conectado como autotransformador. Se requiere la lámpara incandescente en serie.




