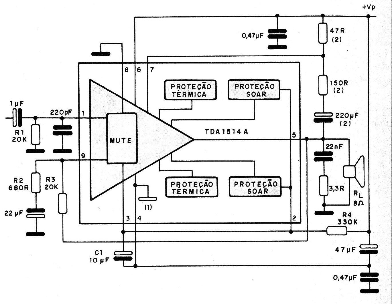
Con su alta potencia y alto rendimiento, este amplificador de potencia es ideal para equipos de sonido de alta calidad, radios, televisores y sistemas de audio digital (disco compacto, por ejemplo). Los transistores de salida tienen protección térmica y SOAR completo, y el circuito incluye un sistema de silencio que opera durante un cierto tiempo después de que se establece la energía. Este período está preajustado por componentes externos. El integrado puede funcionar con fuentes de alimentación simétricas y asimétricas (+/- 7,5 V a +/- 30 V). Se ofrece en una caja SIL de 9 pinos.




