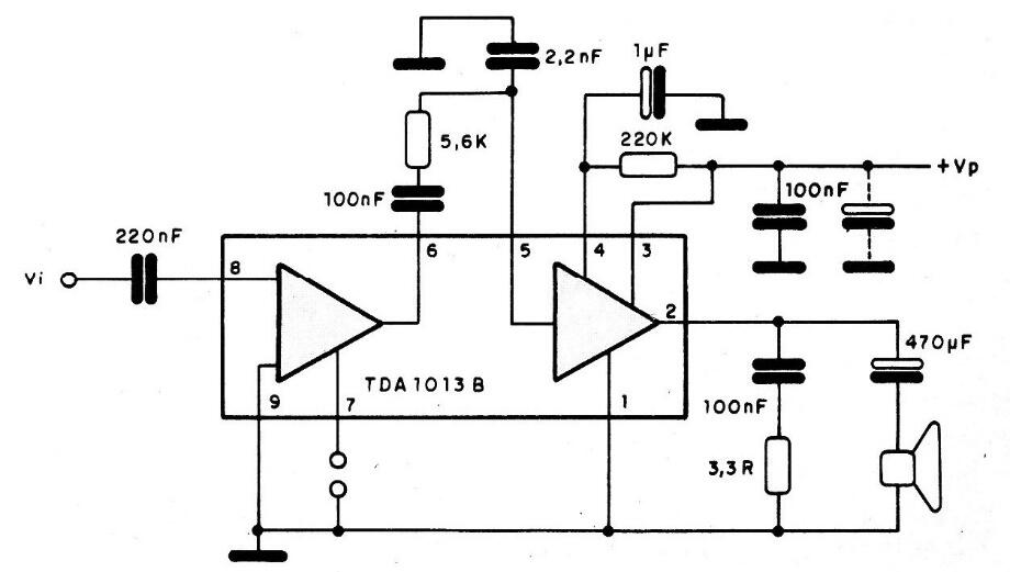
Este amplificador de audio tiene un control de volumen interno de CC con características logarítmicas y un control en un rango de más de 80 dB. Su muy amplio rango de tensión de alimentación (10 V a 40 V) lo hace ideal para el diseño de equipos alimentados por la red local como televisores y equipos de sonido. Se presenta en una caja SIL de 9 pines. Entre las ventajas que presenta este integrado tenemos:
- Amplificador y preamplificador separados.
- Incorpora un control de volumen DC con un rango de control superior a 80 dB (tensión de control entre 2 V y 6 V
- Ganancia sin retroalimentación bien definida y ganancia fija con retroalimentación de 38 dB (suministro de 18 V, carga de 8 ohmios).
- Radiador de instalación simple y de bajo costo
- No produce clics cuando se enciende o apaga.
- El nivel de ruido disminuye con el volumen.
Para una distorsión total del 10%, la potencia de salida es de 4,3 W a una carga de 8 ohms con una fuente de alimentación de 18 V.




