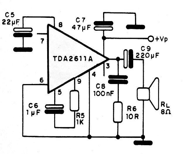
Este circuito integrado es ideal para el diseño de tocadiscos de bajo costo con cápsulas cerámicas, dada su alta impedancia de entrada que se puede ajustar a valores de hasta 2M ohms. Puede operar con tensiones entre 6 y 35 V y se presenta en una caja SIL de 9 pinos. Entre las ventajas que presenta este integrado destacamos:
- Posibilidad de aumentar la impedancia de entrada de 45 k ohms a 2 M ohms a 1 kHz.
- Protección térmica interna
- Se necesitan pocos componentes externos.
- Ganancia bien definida sin retroalimentación con simple ajuste de la corriente de reposo.
- Ganancia con realimentación fija a 38 dB (alimentación de 18 V con carga de 8 ohms).




