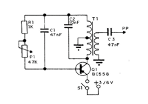
En el circuito que se muestra tenemos una aplicación de un transistor como oscilador. Para ello, parte de la señal de audio amplificada se vuelve a aplicar a la base del transistor a través de C1, proporcionando así una retroalimentación positiva. La impedancia del devanado del transformador más el capacitor en cuestión y la polarización base del transistor ajustada en el trimpot, determinan la frecuencia de la señal generada.




