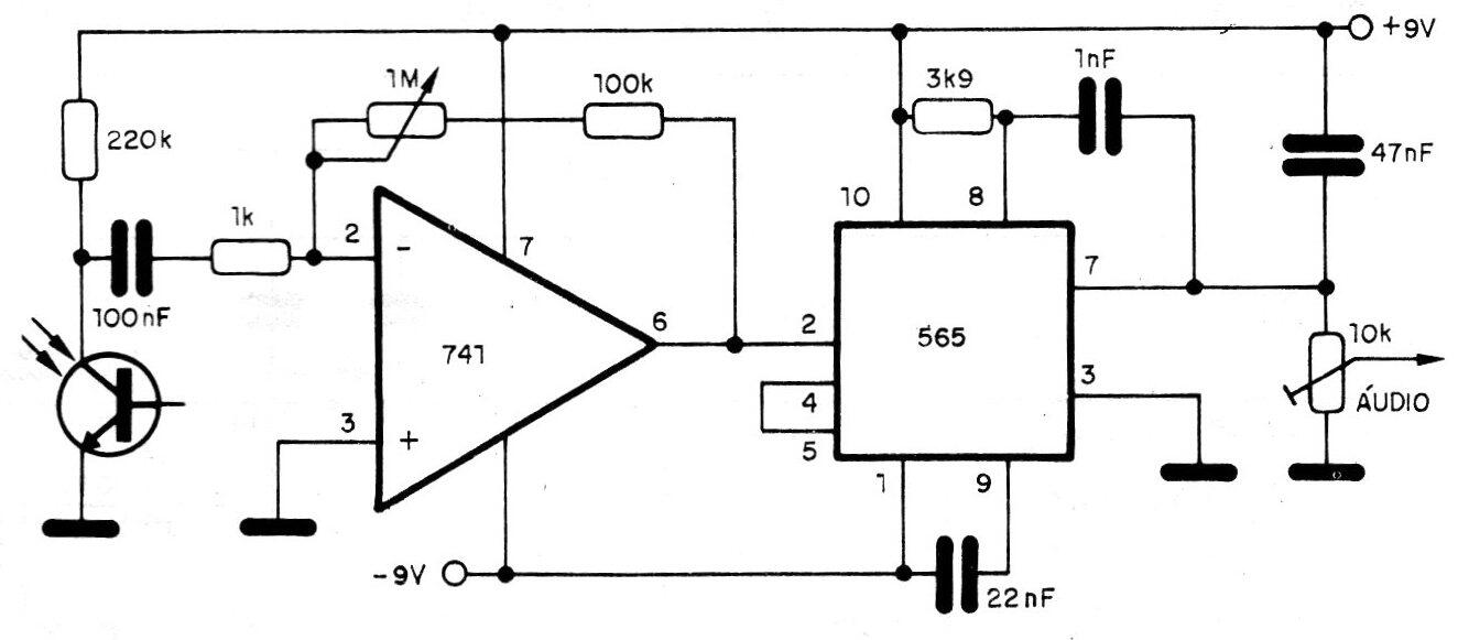
En la figura tenemos un receptor para señales luminosas de frecuencia modulada (ver transmisor en CIR19890S). El resistor de 3k9 junto con el capacitor de 1 nF determina la frecuencia sintonizada. Eventualmente, el resistor se puede reemplazar por un potenciómetro para facilitar la sintonización. La señal obtenida es de audio y se puede aplicar a la entrada de un amplificador común. El tipo de fototransistor utilizado depende del emisor, y el resistor de 220 k debe eventualmente cambiarse para obtener el mejor rendimiento.




