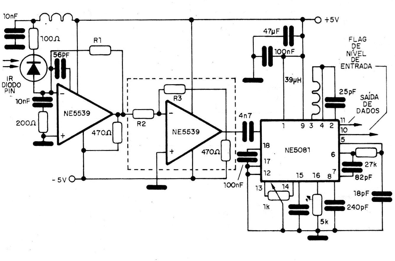
Este es el circuito receptor del transmisor CIR19888S. Dependiendo de la atenuación obtenida en la fibra óptica, la ganancia del circuito debe ajustarse según los valores de R2 y R3, así como R1. Al ensamblar, se recomienda que los terminales de los componentes del circuito de sintonización se mantengan lo más cortos posible. Los choques de desacoplamiento de señales son de 10 uH en ambos circuitos.




