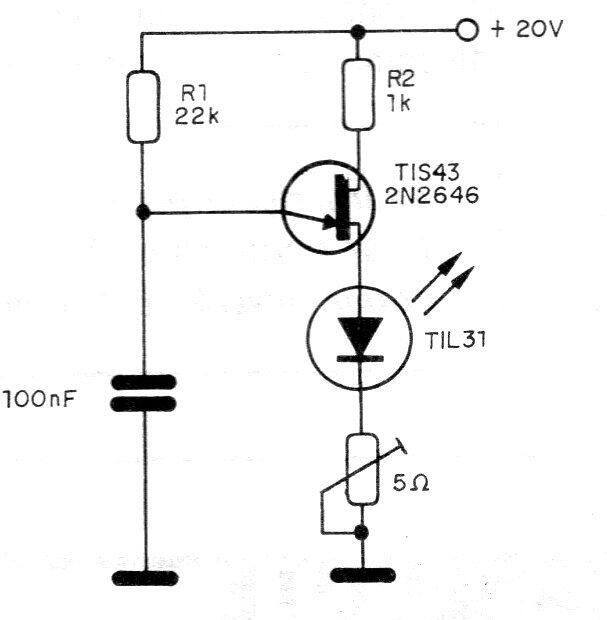
Este circuito es sugerido por Texas Instruments y se basa en un oscilador de relajación con un transistor unijuntura. La corriente máxima en el LED es de 1 ampere, como producir pulsos de 2 microsegundos a una frecuencia de 330 Hz. Para un rango más amplio de ajuste de frecuencia, el resistor de 22 k se puede reemplazar por un resistor de 10 k en serie con un potenciómetro de 100 k. La intensidad máxima del pulso producido también se puede modificar cambiando el capacitor. El potenciómetro junto al LED ajusta el pico de corriente.




