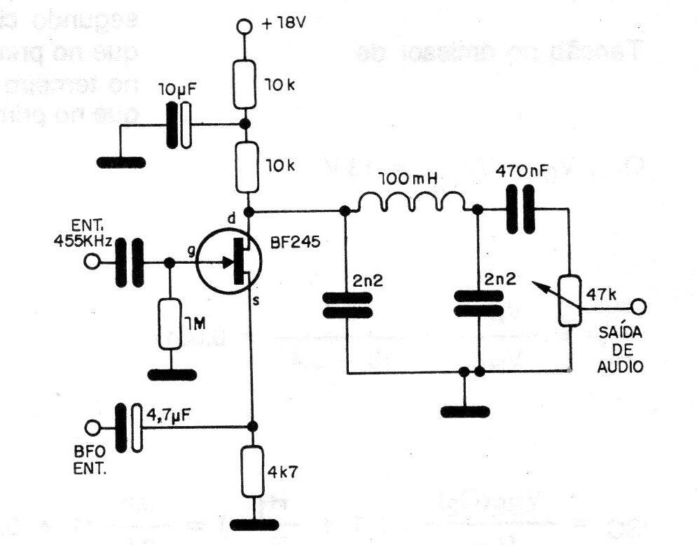
Este circuito de características muy lineales se basa en un transistor de efecto de campo de unión. Las señales FI y BFO se combinan para obtener una salida igual a su producto, cuya intensidad se puede ajustar en el potenciómetro de 47k. Los capacitores más pequeños deben estar hechos preferiblemente de mica para una mayor estabilidad operativa y los capacitores electrolíticos deben tener una tensión de trabajo de 25 V o más. La alimentación proviene de una fuente de 15 V con una corriente de aproximadamente 1 mA, como se muestra en la figura.




