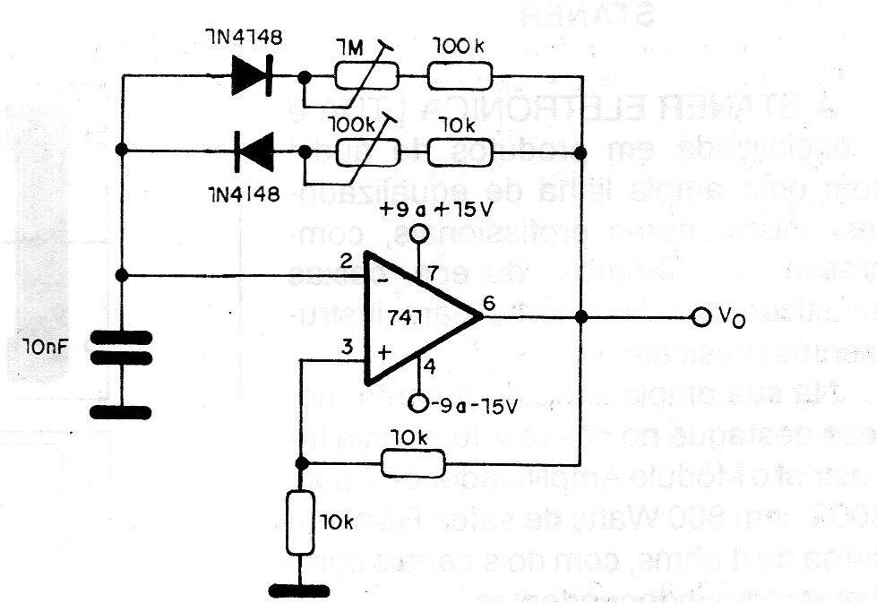
Este oscilador de baja frecuencia con un amplificador operacional del tipo 741 tiene ajuste de la relación marca / espacio a través de dos trimpots. El circuito opera con una fuente simétrica a una frecuencia de 1 Hz a cerca de 100 kHz. El capacitor de 10 nF determina el rango de frecuencia, junto con los trimpots de ajuste y los resistores en serie. La impedancia de salida es de aproximadamente 50 ohms y la amplitud de la señal de salida, que es rectangular, se aproxima de la tensión de la fuente de alimentación.




