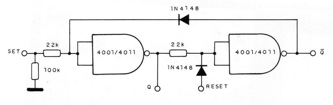
Este flip-flop Set-Reset (RS) utiliza un 4001 o 4011 integrado además de algunos componentes externos, como se muestra en la figura. La alimentación se realiza con tensiones entre 5 y 15V y para el disparo utilizamos pulsos de entrada positivos.
Este flip-flop Set-Reset (RS) utiliza un 4001 o 4011 integrado además de algunos componentes externos, como se muestra en la figura. La alimentación se realiza con tensiones entre 5 y 15V y para el disparo utilizamos pulsos de entrada positivos.