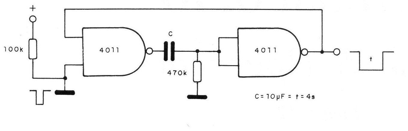
El circuito de la figura se dispara con una transición negativa de la señal de entrada, su salida permanece en el nivel bajo durante un período de tiempo que depende del capacitor C y el resistor de 470 k. Con C = 10 uF obtenemos un pulso de salida de aproximadamente 4 segundos. Los valores de C y R se pueden cambiar en una amplia gama de valores. Podemos utilizar tanto un 4001 como un 4011 integrados en este circuito ya que las puertas se utilizan como inversores simples.




