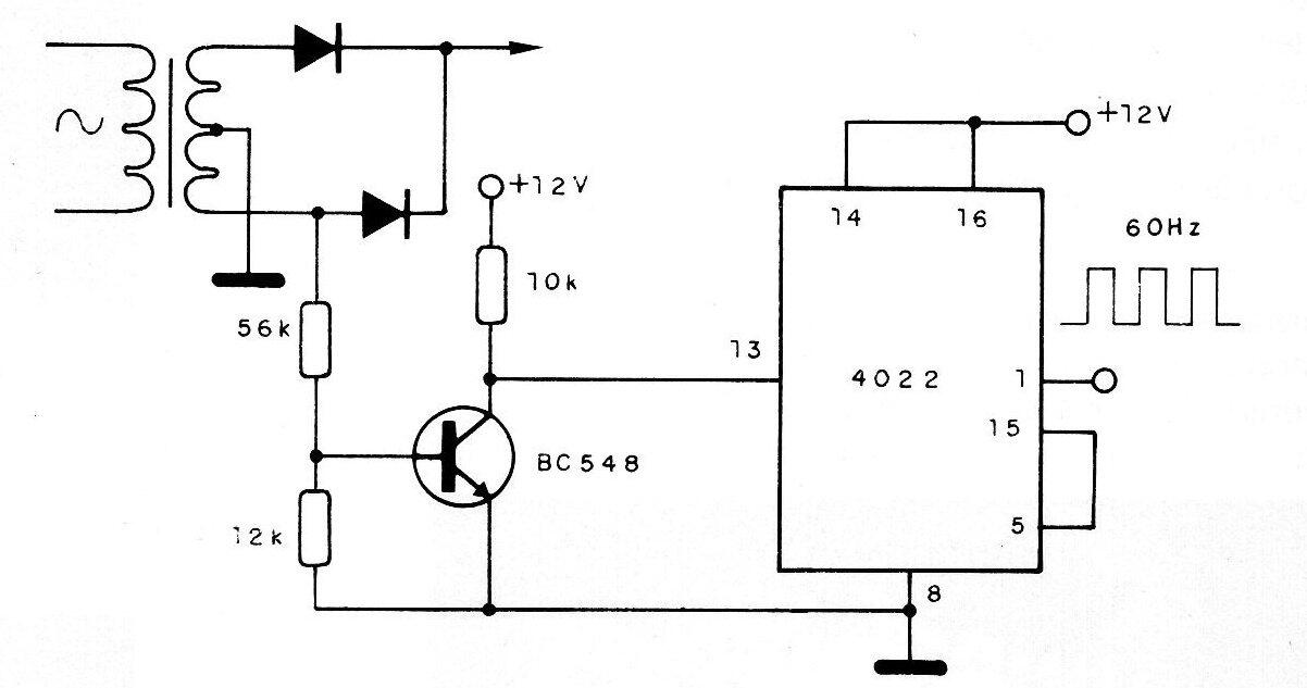
El circuito que se muestra en la figura puede servir como base para medidores de frecuencia, relojes. Cronómetros y muchos otros instrumentos sincronizados por la frecuencia de la red local. La señal sinusoidal del secundario del transformador, antes de la rectificación por el diodo, se amplifica y excita un 4022 integrado, un divisor de frecuencia. El contador se conecta para dividir por '1' para obtener la misma frecuencia que la señal de entrada en la salida. El circuito puede alimentarse con tensiones de 5 a 15 V, pero el pico de la señal de entrada debe limitarse a la tensión de alimentación.




