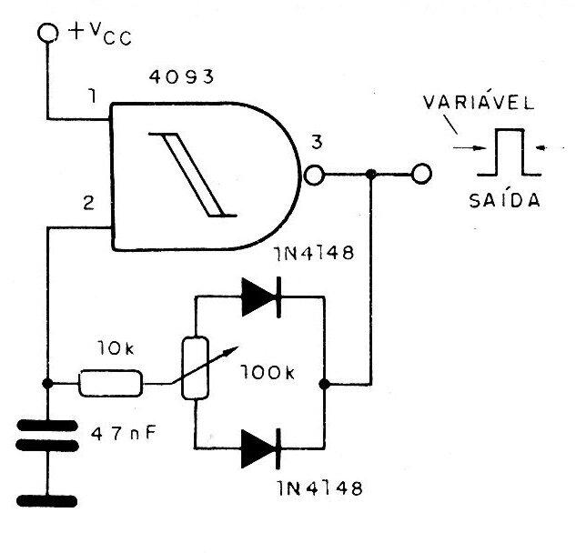
El oscilador mostrado en la figura mantiene su frecuencia más o menos constante en un rango de ajuste de ciclo activo entre cerca de 0 y 100%. Para los componentes indicados, el circuito funcionará en el rango de audio, alrededor de 10 kHz aproximadamente. El capacitor se puede cambiar en el rango de 1 nF a 1 pF para obtener otras frecuencias de operación. El intercambio del resistor 10k por un potenciómetro de 100k en serie con un resistor de 4k7 permite el ajuste simultáneo de la frecuencia, pero se modificará el rango del ciclo activo.




