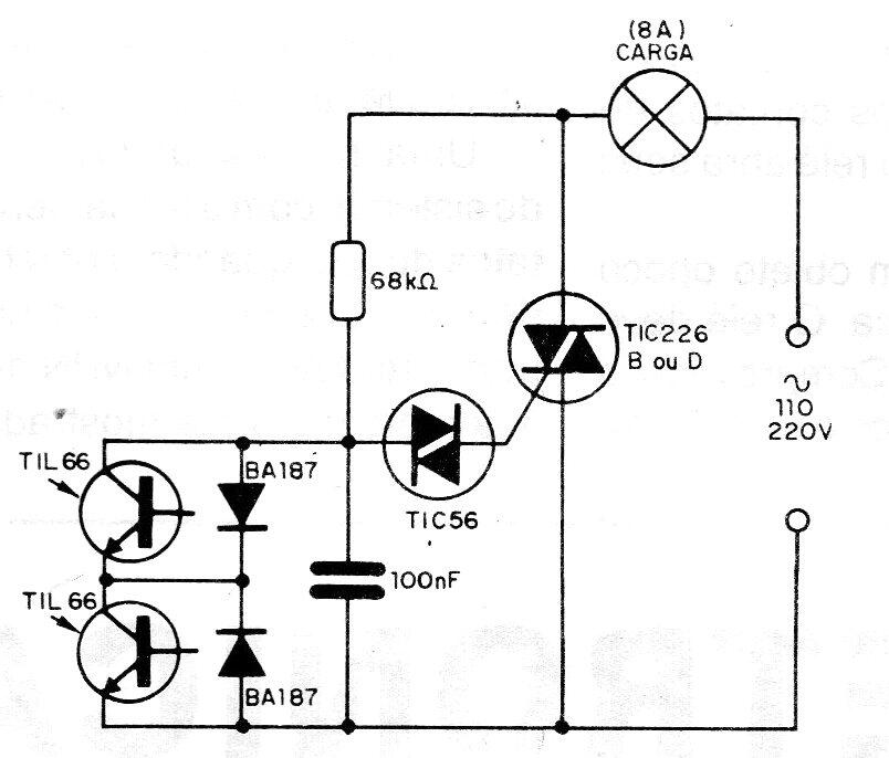
Este circuito, sugerido por Texas Instruments, permite el control de cargas de alta potencia alimentadas por la red local, con fototransistores que excitan un Triac. El Triac debe tener el sufijo B para la red de 110 V y el sufijo D para la red de 220 V. Los fototransistores se pueden reemplazar por equivalentes, así como los diodos. El capacitor de 100 nF es de poliéster para 200 V o más. El circuito activa la carga cortando la luz en ambos sensores simultáneamente.




