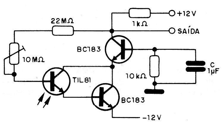
Texas Instruments sugiere la configuración que se muestra en la figura y admite transistores equivalentes. Este circuito tiene como objetivo aumentar la velocidad de respuesta del transistor fotosensor, lo que significa una mejora en las características dinámicas. Los transistores pueden intercambiarse por equivalentes como BC548 y la fuente de alimentación debe ser simétrica.




