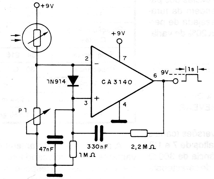
Este circuito mostrado en la figura produce un pulso de duración constante en su salida, del orden de 1 segundo cuando el LDR recibe un pulso corto de luz. El potenciómetro P1 debe tener la misma resistencia que el LDR en condiciones de funcionamiento sin iluminación. La fuente de alimentación no tiene que ser simétrica. Los capacitores se pueden cambiar para obtener diferentes tiempos de activación. El circuito no debe recibir pulsos de luz de duración superior al tiempo del pulso de salida. La amplitud del pulso de salida está en el mismo orden que la tensión de la fuente de alimentación.




