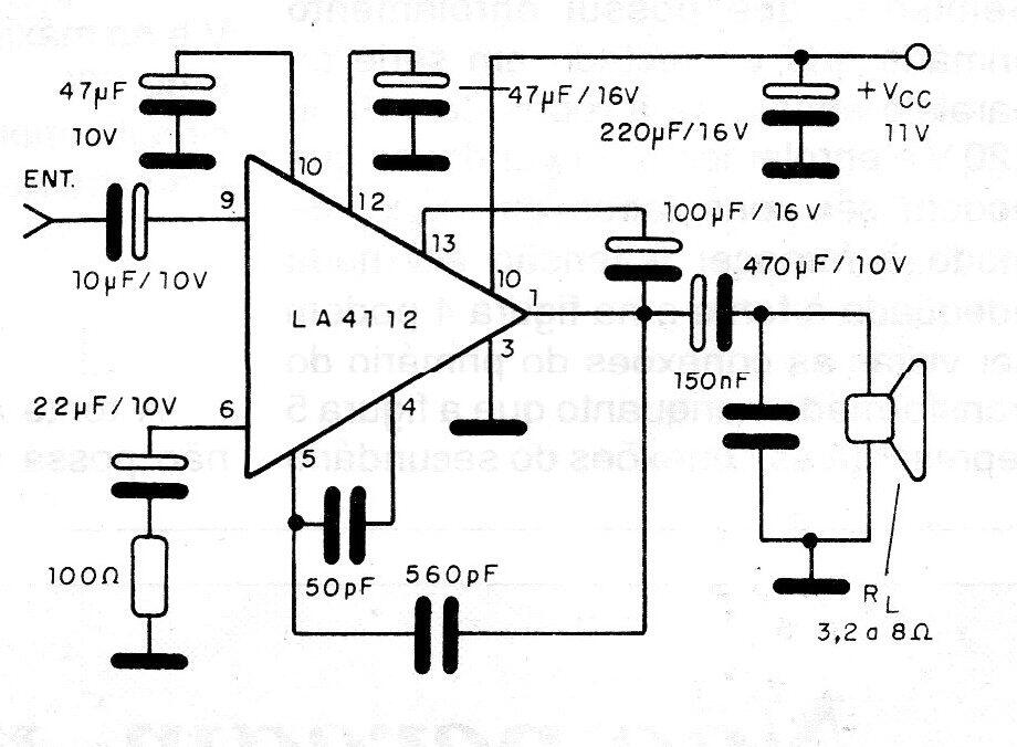
Este amplificador es sugerido por Sanyo, para aplicaciones de radio y grabadora y hace uso de un solo circuito integrado LA4112. La potencia depende de la carga y es máxima con 3,2 ohms. El circuito integrado debe estar equipado con un pequeño radiador de calor. Los resistores son de 1/8 W y los capacitores electrolíticos tienen las tensiones mínimas de trabajo indicadas en el propio diagrama.




