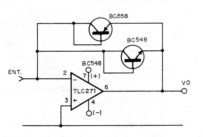
Este circuito está indicado para puentes de medida como detector nulo, gracias a las características de ganancia logarítmica que dan los dos transistores. La ganancia aumenta con tensiones de entrada más bajas. El circuito integrado es un amplificador operacional con transistores de efecto de campo de Texas Instruments, mientras que los transistores son PNP de propósito general. La fuente de alimentación debe ser simétrica.




