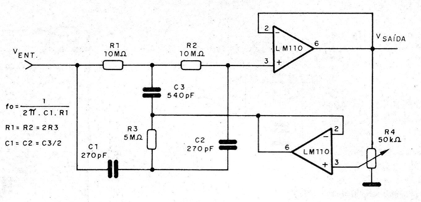
El filtro de rechazo de factor Q ajustable en la figura se basa en dos LM110. Estos integrados consisten en seguidores de tensión que usan transistores de superganancia, para requerir una corriente de polarización de entrada muy baja, sin sacrificar la velocidad. La frecuencia central depende de R1 y C1 según la fórmula colocada junto al diagrama. Los resistores R2 y R3 y los capacitores C1 y C2 deben mantener relaciones con R3 y C3 según las expresiones también indicadas en el diagrama. El ajuste del factor Q se realiza en el potenciómetro de 50 k ohms (o 47 k ohms). Los valores dados en el circuito son para la frecuencia de 60 Hz.




