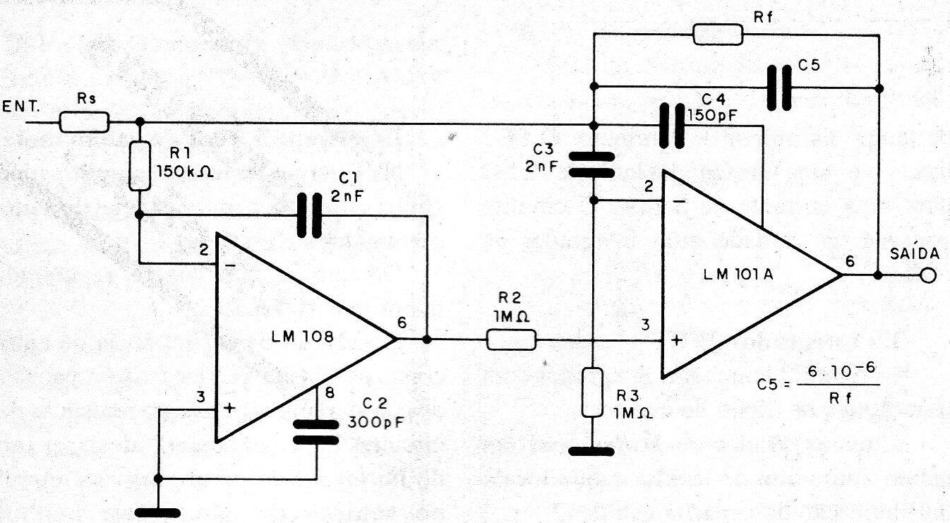
Este circuito fue sugerido por National Semiconductor en uno de sus manuales. El circuito integrado LM108, poco común en la actualidad, puede ser reemplazado por un equivalente. La fuente de alimentación debe ser simétrica.

 

Sumador rápido
Sumador rápido | Haga click en la imagen para ampliar |