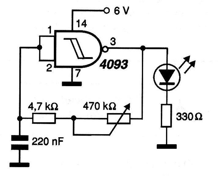
Este circuito simple permite probar la fatiga visual mediante la capacidad de detectar frecuencias más altas. Los estudios revelan que después de ver mucha televisión o exponerse a una iluminación excesiva, los ojos reducen su capacidad para detectar variaciones de luz en frecuencias más altas. Así, lo que hace este circuito es generar señales en el rango de 10 a 100 Hz con el fin de verificar la frecuencia con la que una persona puede detectar el parpadeo (nótese que el LED está parpadeando y no está encendido continuamente). El circuito debe tener el potenciómetro calibrado según las indicaciones dadas por un medidor de frecuencia y luego ser utilizado en las pruebas.




