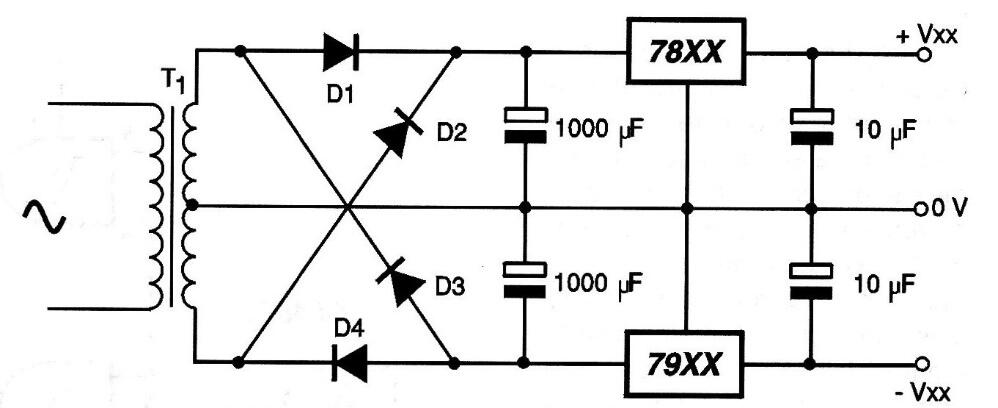
La tensión de esta fuente simétrica depende de los circuitos integrados reguladores, que pueden ser 7806, 7809, 7812 o 7815 para tensiones de 6, 9, 12 y 15 V respectivamente en el lado positivo, utilizando el 79XX equivalente en el lado negativo. El transformador debe tener un secundario con una tensión de al menos 2 V mayor que la requerida en la salida y una corriente de hasta 1 A. Los circuitos integrados deben estar montados sobre radiadores de calor y los capacitores electrolíticos deben tener tensiones de trabajo de al menos el 70%. mayor que la tensión secundaria del transformador.




