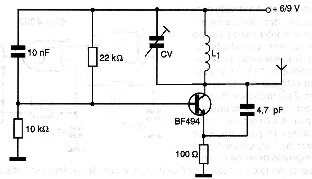
El circuito que se muestra en la figura genera una señal entre 50 y 100 MHz y, por lo tanto, se puede capturar en los canales bajos de la gama VHF de un televisor. La señal puede ser modulada mediante un tono de audio externo aplicado a la base del transistor o utilizado como se indica (sin modulación), produciendo así una imagen sin detalles. El circuito al utilizar una antena de 20 a 30 cm tiene un alcance que puede llegar hasta los 50 metros. La energía se puede hacer con baterías normales o con batería.




