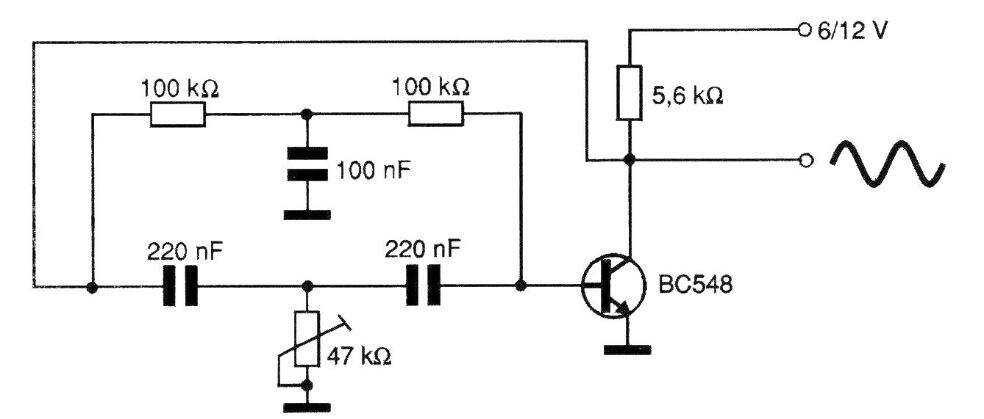
El oscilador de doble T que se muestra en la figura genera señales sinusoidales en la pista de audio, que dependen de los valores de doble T, que deben mantener las relaciones de valores indicadas. El trimpot ajusta el punto de oscilación. Para los valores indicados, la señal generada será de alrededor de 1 kHz.




