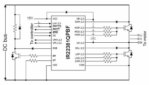
En la figura tenemos un control de motor AC trifásico para tensiones de hasta 600 V o 1200 V según el componente utilizado. El circuito es sugerido por International Rectifier (www.irf.com) y utiliza los circuitos integrados IR22381QPBF (600 V) o IRF21381Q (Pbf) para 1200 V. La tensión de salida para la excitación de IGBT es de 12,5 a 20 V y como características adicionales que tiene el circuito, podemos destacar un circuito de desaturación integrado, función de retroalimentación de tensión, circuitos de retardo emparejados, etc. También está disponible una entrada de apagado y el pin DT permite el uso de una resistencia externa para programar el tiempo muerto. La hoja de datos del componente con aplicaciones y diversa información para proyectos se puede descargar en formato PDF. La hoja de datos tiene el número PD60322.




