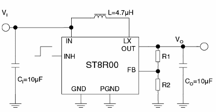
El circuito que se muestra en la figura 6 utiliza el ST8R00 de ST Microelectronics que consta de un convertidor de tensión de 1 A. El convertidor de 1 A consume solo 500 uA y puede proporcionar voltajes de salida ajustables de 6 V a 12 V a partir de voltajes de Entrada de 4 a 6 V. El circuito integrado ST8R00 se suministra en una caja DFN8 de 4 x 4 mm y tiene las características adicionales de un voltaje de ondulación muy bajo, solo 5 mV (9 puntas), y requiere pocos componentes externos. La precisión de la tensión de salida es +/- 2%. La tensión de salida está determinada por el divisor resistivo formado por R1 y R2. La eficiencia del circuito alcanza el 90%. La operación PWM se realiza en una frecuencia de 1,2 MHz.




