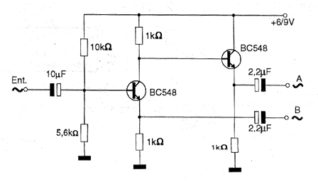
La figura presenta una configuración que puede resultar muy útil para los diseñadores de equipos de audio. Lo que hace este circuito es obtener de una señal de audio, otras dos que corresponden al original y el original con la fase invertida. Estas señales pueden ser necesarias para la excitación de las etapas de salida de los amplificadores de puente o contrafase. Los transistores son para propósito general y la intensidad de las señales de entrada debe estar en el rango de 200 mV a 1 Vpp. Para la salida tenemos una intensidad de señales del mismo orden.




