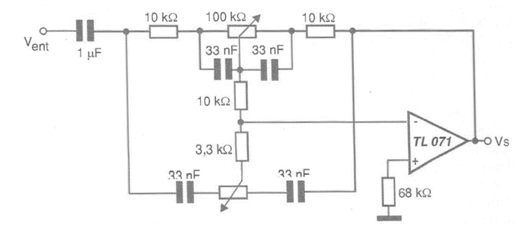
Los controles de tono para aplicaciones de audio también pueden considerarse filtros que deben atenuar ciertas bandas de frecuencia o reforzarlas, según la reproducción. Texas sugiere el circuito que se muestra en la figura en su Linear and Interface Integrated Circuits usando un amplificador operacional con FET en la entrada TL071. Este amplificador operacional también es fabricado por Texas Instruments, entre otros, y existe una versión dual para una aplicación en un sistema estéreo. La atenuación a 20 Hz para el control de graves es de - 20 dB y el refuerzo para los agudos es de + 19 dB a 20 kHz. La frecuencia de transición es 1 kHz. Los potenciómetros de control de graves y agudos deben ser lineales. La fuente de alimentación debe ser simétrica.




