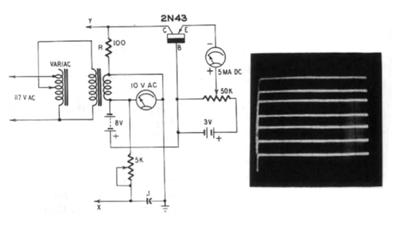
Encontramos este circuito en una publicación antigua. El transformador tiene un secundario de 9 o 12 V y los potenciómetros se pueden cambiar a los valores comerciales más cercanos. El circuito está conectado a las entradas X e Y del osciloscopio.

Circuito para ver curvas de un transistor



