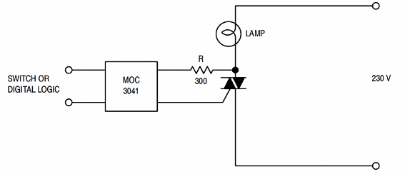
Este circuito, del manual de tiristores On Semiconductor, es adecuado para lámparas incandescentes o cargas resistivas de alta potencia. La potencia dependerá del triac y el circuito, con el acoplador indicado, opera en la red 220/230 V.

Control de alta potencia con Triac



