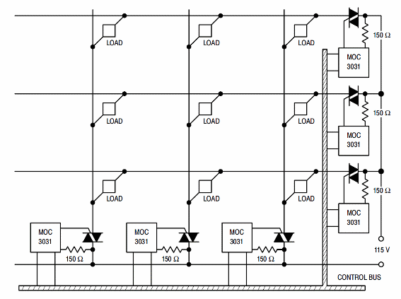
Este circuito muestra cómo es posible controlar 9 cargas con solo 6 Triacs usando la conmutación de matriz y el bus de un microcontrolador. Las cargas dependen de los triacs utilizados. El circuito es del manual del tiristor de On Semiconductor.

Conmutación de matriz



