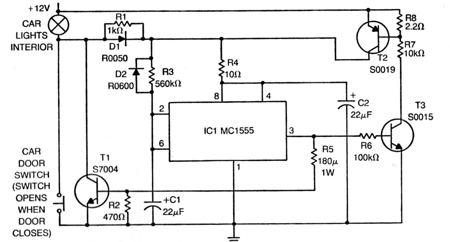
Este circuito es de una publicación americana de 1978. Puede ser montado con transistores modernos, ya que el MC1555 es simplemente la versión Motorola antigua del actual 555. T1 puede ser un TIP41 y T2 un BD136. El transistor T3 puede ser un BC548. Los resistores con valores no estandarizados pueden ser aproximados. R5 es en realidad de 180 ohms. Los diodos pueden ser los 1N4002.




