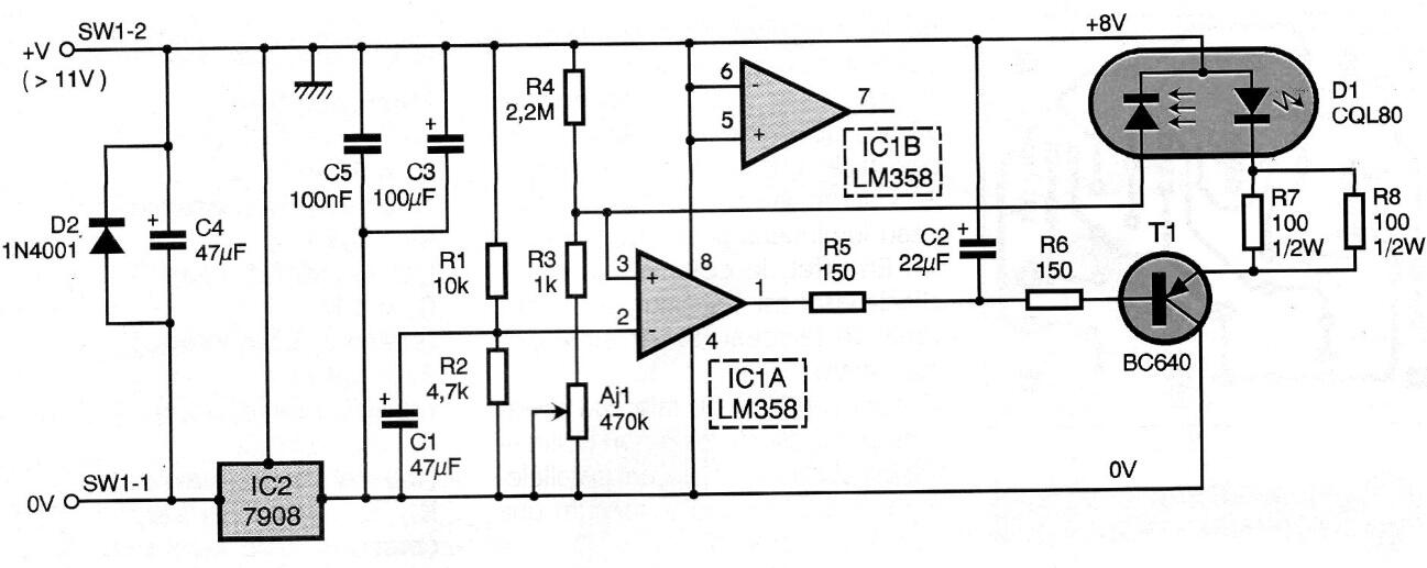
Esta fuente permite la alimentación de diodos láser con tensiones superiores a 11 V. El circuito es de documentación francesa y se pueden utilizar componentes equivalentes.
Este amplificador de guitarra a transistores apareció en la revista Radio Electronics en noviembre de...
Este circuito de Texas Instruments de 1968 usa diacs de la época. Los SCR pueden ser equivalentes...
El Variable Frequency Oscillator (VFO) o el oscilador de frecuencia variable que se muestra en la...