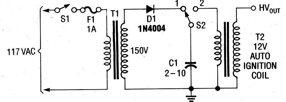
Este circuito genera pulsos de alta tensión, que pueden alcanzar los 30 000 V con la descarga de un condensador a través de una bobina de encendido. En la posición 1, el capacitor de 2 a 10 uF x 250 V o más está cargado. Cuando el interruptor se mueve a la posición 2, el capacitor se descarga, produciendo una chispa de alta tensión.




