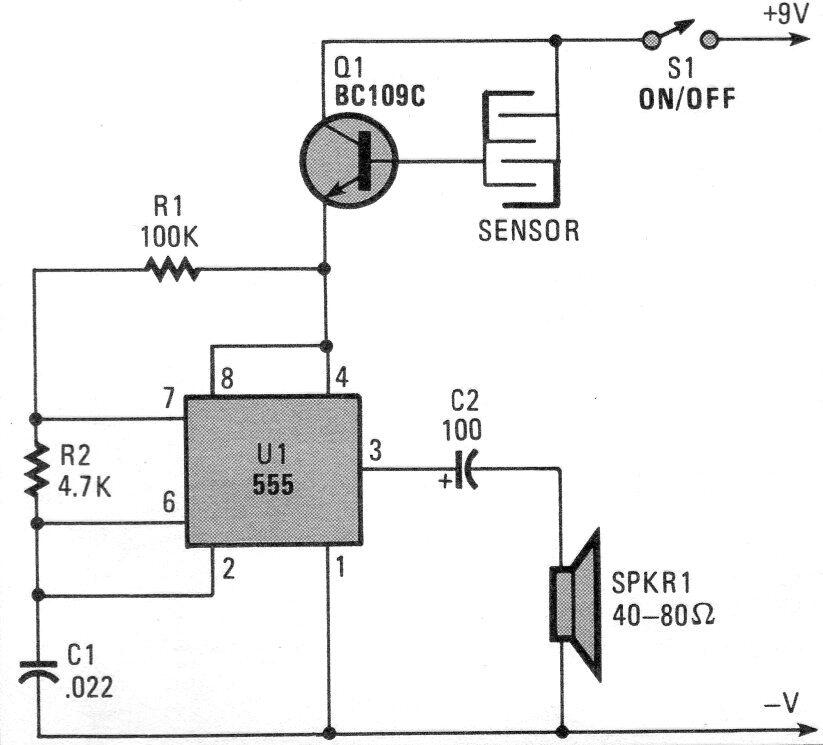
Encontramos este circuito en una documentación estadounidense de los años 90. El circuito se puede ensamblar con un BC549 en lugar del transistor original y la potencia, de hecho, se puede hacer con tensiones de 6 a 12 V.

 

Alarma activada por agua
Alarma activada por agua | Haga click en la imagen para ampliar |