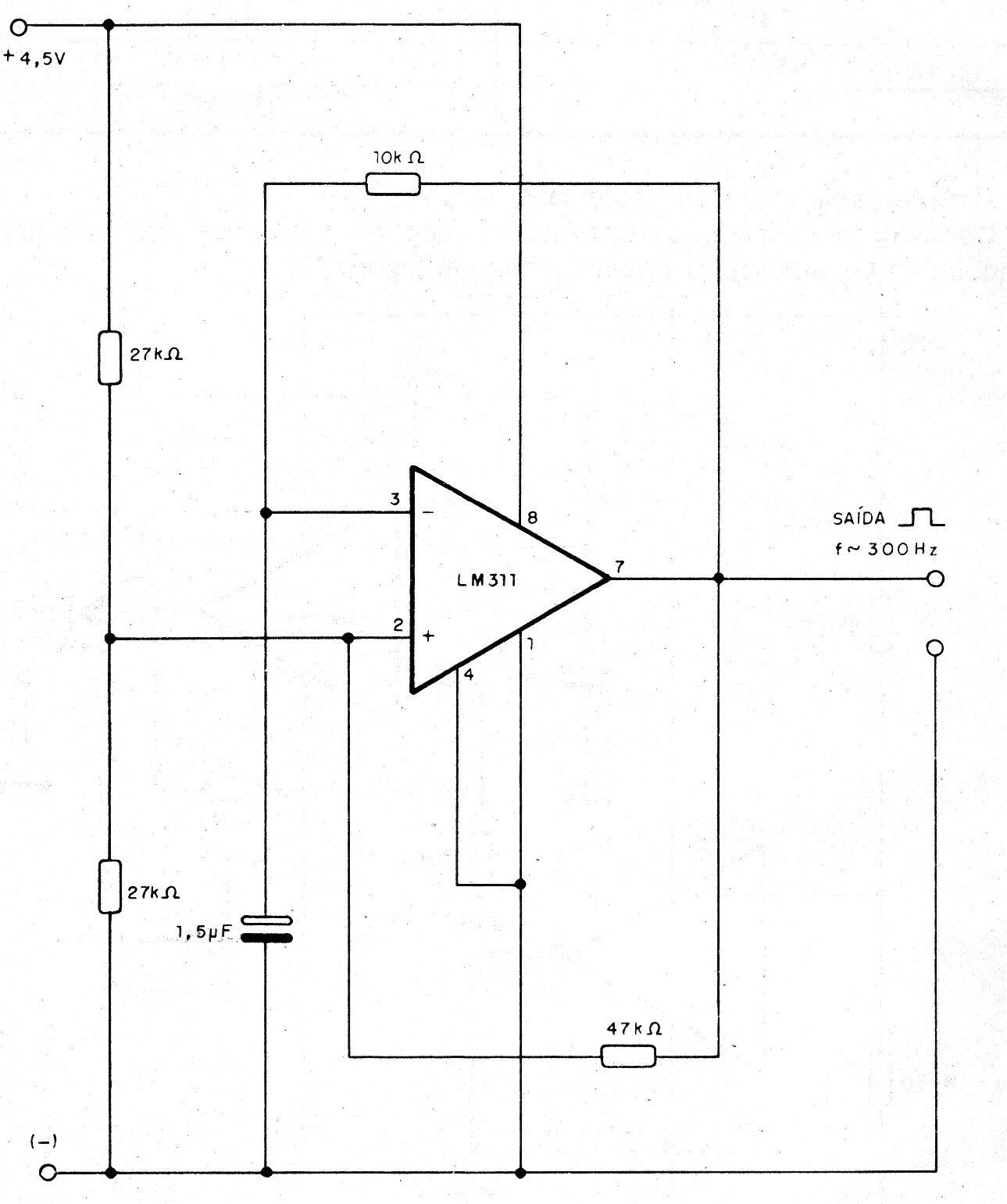
Encontramos este circuito en una documentación de 1993. El circuito se puede implementar con otros amplificadores operacionales y la frecuencia se puede cambiar cambiando el capacitor. La fuente de alimentación no tiene que ser simétrica.
Encontramos este circuito en una documentación de 1993. El circuito se puede implementar con otros amplificadores operacionales y la frecuencia se puede cambiar cambiando el capacitor. La fuente de alimentación no tiene que ser simétrica.