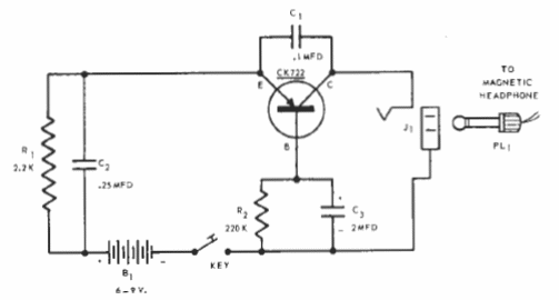
Este oscilador de audio es de una publicación de Raytheon de 1957. El tono generado depende de C2 y C2 y el auricular debe ser magnético de alta impedancia. Se pueden probar transistores equivalentes.

Oscilador de práctica de telegrafía
Este oscilador de audio es de una publicación de Raytheon de 1957. El tono generado depende de C2 y C2 y el auricular debe ser magnético de alta impedancia. Se pueden probar transistores equivalentes.
