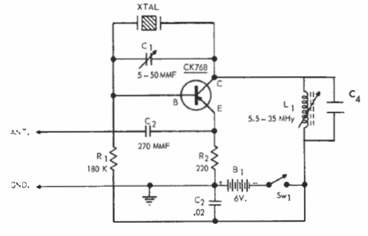
En este circuito Raytheon de 1957 se pueden utilizar cristales de 100 kHz a 1 MHz. 4 pueden tener valores entre 47 pF y 470 pF dependiendo de la frecuencia del cristal. Se pueden utilizar transistores equivalentes modernos.

Oscilador de cristal
En este circuito Raytheon de 1957 se pueden utilizar cristales de 100 kHz a 1 MHz. 4 pueden tener valores entre 47 pF y 470 pF dependiendo de la frecuencia del cristal. Se pueden utilizar transistores equivalentes modernos.
