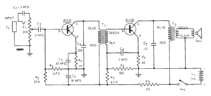
Este amplificador se encontró en una documentación de Rayrtheon de 1957. El circuito se puede equipar con un transistor BC558. Los transformadores driver y de salida se pueden obtener a partir de radios de transistores no utilizados.

 

Amplificador de audio
Amplificador de audio | Haga click en la imagen para ampliar |