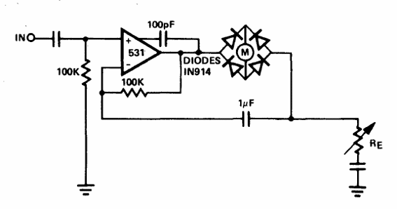
El circuito integrado utilizado en esta aplicación es poco común, pero se pueden utilizar otros operacionales equivalentes. El circuito es del manual de circuitos integrados de Signetics de 1972.

Milivoltímetro AC
El circuito integrado utilizado en esta aplicación es poco común, pero se pueden utilizar otros operacionales equivalentes. El circuito es del manual de circuitos integrados de Signetics de 1972.
