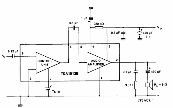
Este circuito tiene control de tono y su potencia depende de la tensión de alimentación. El circuito es del manual de circuitos integrados de Philips de 1990.

Amplificador de 4 W con TDA1013
Este circuito tiene control de tono y su potencia depende de la tensión de alimentación. El circuito es del manual de circuitos integrados de Philips de 1990.
