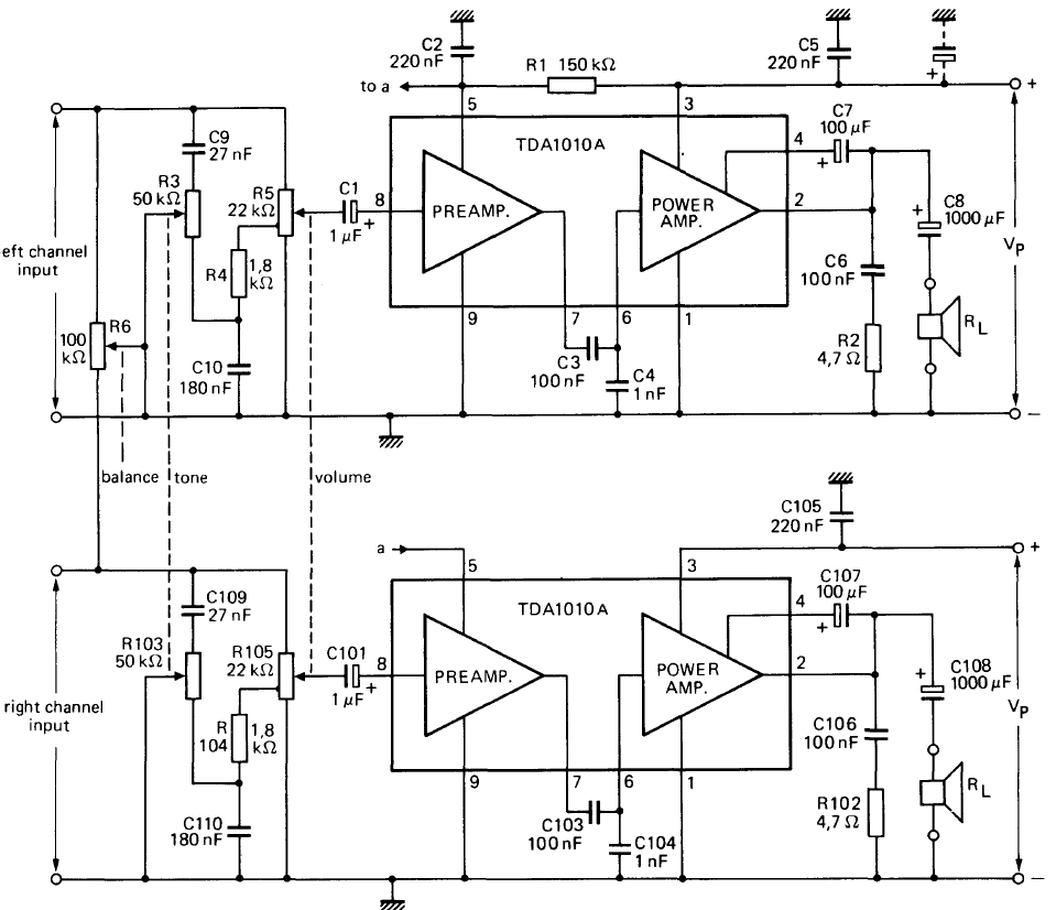
Encontramos este amplificador para uso automotriz en el manual del circuito integrado de Philips de 1990. La impedancia del altavoz normalmente puede estar entre 2 y 8 ohms. El circuito tiene control de equilibrio entre los canales.
Encontramos este amplificador para uso automotriz en el manual del circuito integrado de Philips de 1990. La impedancia del altavoz normalmente puede estar entre 2 y 8 ohms. El circuito tiene control de equilibrio entre los canales.