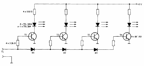
Este voltímetro indica tensiones de 0,7 a 2,8 V en 4 niveles determinados por los diodos. La escala se puede ampliar con más LED. El circuito es del manual de optoelectrónica de Texas Instruments y los transistores pueden ser del tipo BC548 y diodos 1N4002.

Voltímetro LED



