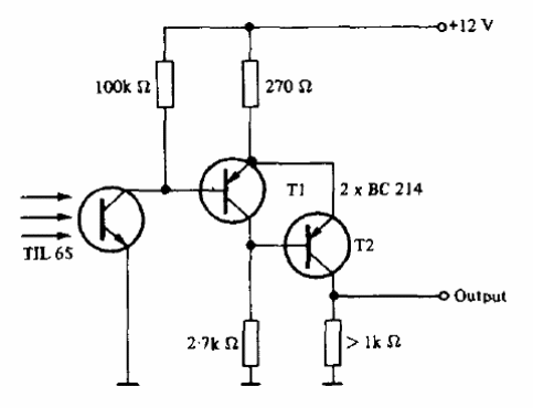
Esta configuración se encontró en el manual de optoelectrónica de Texas Instruments. Los transistores PNP admiten equivalentes y también lo hace el fototransistor.

Disparador óptico para fototransistor
Esta configuración se encontró en el manual de optoelectrónica de Texas Instruments. Los transistores PNP admiten equivalentes y también lo hace el fototransistor.
