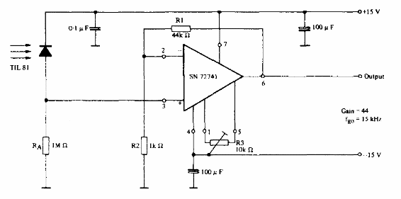
La ganancia del amplificador que se muestra en la figura viene dada por R1. El circuito es válido para otros fotodiodos y es sugerido por Texas Instruments en un manual de optoelectrónica. La fuente de alimentación debe ser simétrica.

Amplificador 741 para fotodiodo



