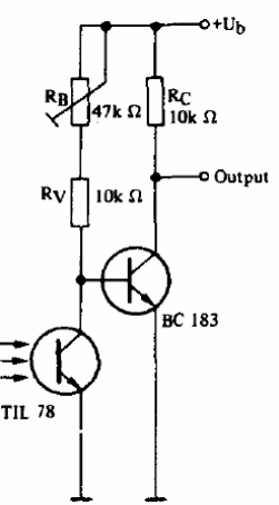
Este circuito fue sugerido por el manual de optoelectrónica de Texas Instruments. La misma configuración se puede utilizar con otros fototransistores y el transistor puede ser el BC548. La tensión de alimentación puede estar entre 9 y 30 V.

Control de corriente para fototransistores 2



