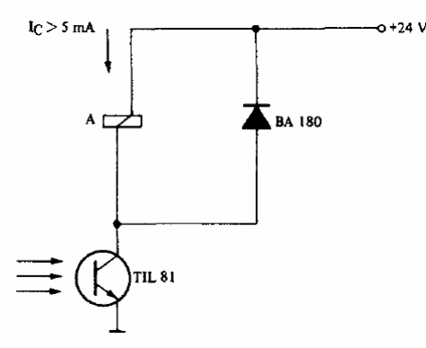
Este circuito utiliza un reed relé sensible de 5 mA para ser impulsado directamente por un fototransistor. El fototransistor se puede reemplazar por un equivalente. La configuración es de un manual de optoelectrónica de Texas Instruments.

Relé de luz sensible



