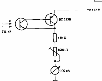
Este medidor de intensidad de luz es de un manual de optoelectrónica de Texas Instruments de 1978. El fototransistor puede ser de cualquier tipo y el transistor puede ser el BC558. El ajuste de la escala completa se realiza en el trimpot.

Luxómetro
Este medidor de intensidad de luz es de un manual de optoelectrónica de Texas Instruments de 1978. El fototransistor puede ser de cualquier tipo y el transistor puede ser el BC558. El ajuste de la escala completa se realiza en el trimpot.
