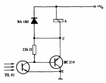
Este circuito es de un manual de optoelectrónica de Texas Instruments de 1978. El transistor puede ser un equivalente más moderno, al igual que el fotodetector. La corriente del relé es un máximo de 20 mA y la alimentación depende de la bobina de este componente.

Foto Detector complementario



